Ключевые особенности

УЗИП переменного тока серии DAC

Устройство защиты от импульсных перенапряжений УЗИП CITEL DAC1-13S-31-275 (821710244)

Артикул: 821710244
Цена товара:
22 292 
Общая цена:
22 292 
В наличии: 4 шт.
Доставка в ПВЗ СДЭК: 1-3 дня

Опции

Защита УЗИП

Шинный соединитель

Сменная вставка для УЗИП

Клеммные адаптеры

Краткое описание
УЗИП CITEL DAC1-13S-31-275 класса Тип 1+2 для комплексной защиты трехфазных сетей 230/400В от грозовых и коммутационных перенапряжений. Конфигурация 3+1 с комбинированной технологией (варисторы и газовый разрядник). Выдерживает прямой удар молнии (Iimp 12.5 кА) и многократные импульсы 50 кА. Сменные модули, встроенная защита от перегрузки и индикация состояния. Монтаж на DIN-рейку.

Описание

Устройство защиты от импульсных перенапряжений CITEL DAC1-13S-31-275 представляет собой надежное решение для комплексной защиты трехфазных электрических сетей переменного тока от разрушительных последствий прямых и удаленных грозовых разрядов, а также коммутационных перенапряжений. Это устройство класса Тип 1+2 (I+II) по ГОСТ Р 51992-2011, что означает его способность отводить часть прямого тока молнии (10/350 мкс) и эффективно ограничивать наведенные импульсные перенапряжения (8/20 мкс). Оно предназначено для установки на вводе в здание в главном распределительном щите (ГРЩ) или вводно-распределительном устройстве (ВРУ).

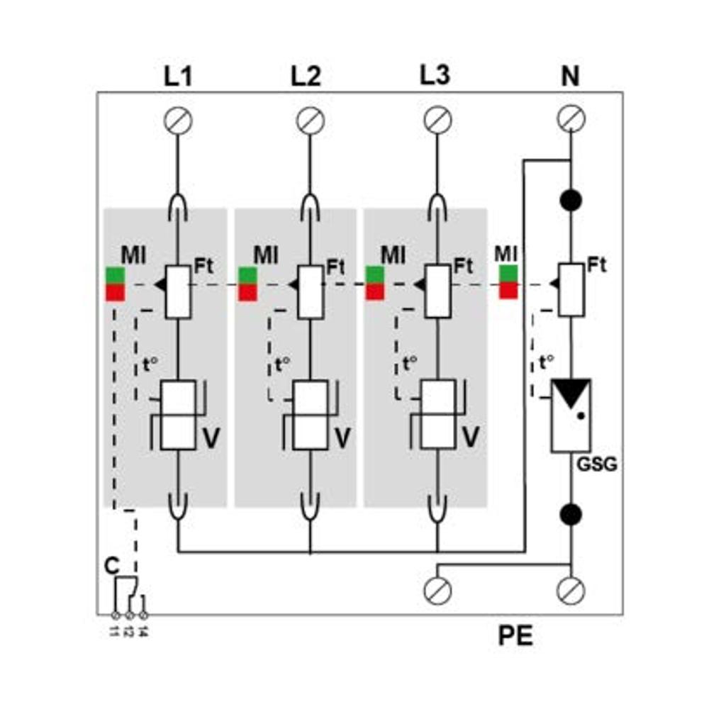
УЗИП построено по схеме 3+1 и предназначено для работы в трехфазных сетях 230/400 В с системами заземления TT и TN-S. В его основе лежит комбинированная технология: мощные варисторы для ограничения перенапряжений между фазой и нейтралью (L-N) и мощный газовый разрядник (GSG) между нейтралью и землей (N-PE). Каждый фазный модуль является сменным, что упрощает обслуживание. Устройство оснащено встроенным терморазмыкателем и плавким предохранителем для безопасного отключения в случае перегрузки, а также механическим индикатором состояния (зеленый/красный). Опционально доступна дистанционная сигнализация для удаленного контроля срабатывания. Монтаж осуществляется на симметричную DIN-рейку 35 мм.

Области применения

  • Защита вводных распределительных щитов (ГРЩ, ВРУ) жилых, коммерческих и промышленных зданий.
  • Защита трехфазного электрооборудования в сетях с системами заземления TT и TN-S.
  • Обеспечение молниезащиты объектов в составе комплексной системы (УЗИП класса I по МЭК 61643-11).
  • Защита чувствительного электрооборудования от коммутационных помех и наведенных грозовых перенапряжений.
  • Использование в качестве первой и второй ступени защиты в каскадной схеме с УЗИП класса Тип 2 (II).

Ключевые особенности

  • Комбинированный класс защиты Тип 1+2: Способен выдерживать прямой удар молнии (Iimp 12.5 кА) и многократно ограничивать коммутационные перенапряжения.
  • Сменные модули на каждую фазу: Упрощает и удешевляет обслуживание и замену после срабатывания.
  • Встроенная система безопасного отключения: Терморазмыкатель и плавкий предохранитель гарантируют защиту от перегрева и отключение от сети при повреждении.
  • Высокая стойкость к токам короткого замыкания (Isccr): Допустимый ток КЗ до 50 000 А обеспечивает надежность в мощных сетях.
  • Опция дистанционной сигнализации: Возможность подключения для удаленного оповещения о состоянии устройства.

Технические характеристики

  • Артикул производителя: 821710244
  • Тип УЗИП: Класс 1+2 (Тип I+II)
  • Конфигурация: 3+1 (три фазы L1, L2, L3 + нейтраль N)
  • Максимальное рабочее напряжение переменного тока (Uc): 275 В
  • Номинаный ток разряда (8/20 мкс), In: 20 кА
  • Максимальный ток разряда (8/20 мкс), Imax: 50 кА
  • Ток молнии (10/350 мкс), Iimp: 12.5 кА на полюс
  • Уровень защиты при In, Up: ≤ 1.3 кВ (L-N), ≤ 1.5 кВ (N-PE)
  • Допустимый ток короткого замыкания (Isccr): 50 000 А
  • Способ монтажа: На DIN-рейку 35 мм (4 модуля, 4TE)
  • Диапазон рабочих температур: от -40°C до +85°C
  • Степень защиты корпуса: IP20
  • Стандарты и сертификация: IEC/EN 61643-11, UL1449 ed.4, ГОСТ Р 51992-2011, EAC

Характеристики

Электрические характеристики
Тип УЗИП 1+2
Тип напряжения AC
Схема УЗИП 3P+N (3+1)
Система заземления TNS, TT
Uc AC, макс. рабочее напр., В 275
Iimp(10/350), имп. ток на полюс, кА 12.5
In(8/20), номин. ток разряда, кА 20
Imax(8/20), макс. ток разряда, кА 50
Up L/N, напряжение защиты, кВ 1.3
Допустимый ток короткого замыкания, Isccr, А 50000
Механические характеристики
Высота, мм 90
Глубина, мм 87.8
Ширина, мм 72
Технология варистор
Способ монтажа DIN-рейка 35 мм
Степень защиты IPxx IP20
Температура эксплуатации -40...+85°C
Дистанционная cигнализация да
Стандарты
Производитель CITEL
Соответствие стандартам IEC 61643-11, EN 61643-11, UL1449 ed.4, ГОСТ Р 51992-2011