Ключевые особенности

УЗИП для систем телекоммуникаций

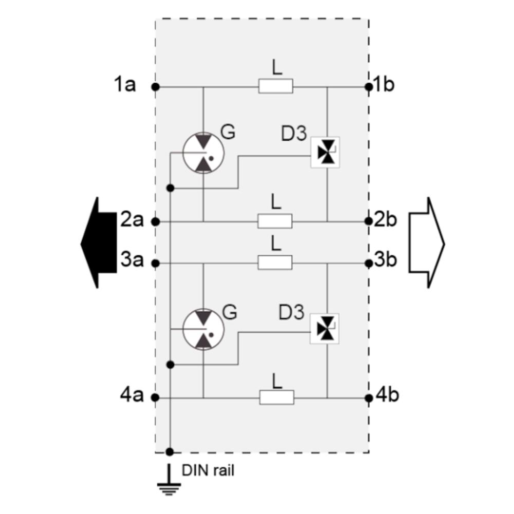
Устройство защиты от импульсных перенапряжений УЗИП CITEL DLUH2-12D3 (640732)

Артикул: 640732
Цена товара:
4 793 
Общая цена:
4 793 
Срок поставки: 3-5 недель
Краткое описание
Устройство защиты линий передачи данных (RS-232/RS-485) и промышленных шин от грозовых и коммутационных перенапряжений. Комбинированная технология (газовый разрядник и диод) обеспечивает высокую скорость срабатывания и поглощение импульсов до 20 кА. Защищает две независимые линии, имеет минимальное влияние на сигнал и монтируется на DIN-рейку.

Описание

Устройство защиты от импульсных перенапряжений CITEL DLUH2-12D3 предназначено для надёжной защиты низковольтных линий передачи данных и телекоммуникационных цепей от разрушительного воздействия импульсных перенапряжений, вызванных грозовыми разрядами или коммутационными помехами в электрических сетях. Этот моноблочный УЗИП обеспечивает безопасную работу подключённого чувствительного оборудования, отводя опасные импульсные токи на систему заземления и ограничивая напряжение до безопасного уровня.

Устройство построено на комбинированной технологии, включающей газовый разрядник и ограничительный диод, что обеспечивает быстрое срабатывание и высокую поглощающую способность. Оно предназначено для монтажа на стандартную DIN-рейку 35 мм в распределительных щитах и шкафах, а подключение линий осуществляется через винтовые зажимы на проводники сечением 0.4-1.5 мм². УЗИП специально разработан для защиты интерфейсов передачи данных, таких как RS-485 и RS-232, а также сетей промышленной автоматизации, гарантируя целостность сигнала при минимальных вносимых потерях.

Области применения

  • Защита портов RS-232 и RS-485 в системах промышленной автоматизации и телеметрии.
  • Обеспечение безопасности сетей промышленных шин: Profibus-FMS, Interbus, FieldBus-H1, Batibus.
  • Защита линий передачи данных в системах сигнализации, контроля доступа и видеонаблюдения.
  • Применение в телекоммуникационных стойках и серверных для защиты низковольтных цепей управления.
  • Интеграция в системы умного дома и здания для защиты линий данных от внешних помех.

Ключевые особенности

  • Компактный монтаж: Установка на симметричную DIN-рейку 35 мм (EN 60715) для удобства размещения в щитах.
  • Комбинированная технология: Газовый разрядник и ограничительный диод для эффективного подавления импульсов.
  • Защита двух пар: Одновременная защита двух независимых линий передачи данных в одном корпусе.
  • Минимальное влияние на сигнал: Низкие вносимые потери (<1 дБ) и малая ёмкость (<50 пФ) для сохранения целостности данных.
  • Надёжная индикация: О неисправности устройства сигнализирует прерывание передачи данных.

Технические характеристики

  • Артикул производителя: 640732
  • Номинальное напряжение линии (Un): 12 В
  • Макс. рабочее напряжение постоянного тока (Uc): 15 В
  • Макс. ток разряда (Imax): 20 кА (8/20 мкс)
  • Номинальный ток разряда (In): 5 кА (8/20 мкс)
  • Импульсный ток (Iimp): 5 кА (10/350 мкс)
  • Уровень защиты (Up): ≤ 30 В
  • Макс. линейный ток (IL): 2.4 А при 25°C
  • Вносимые потери: < 1 дБ
  • Подключение: Винтовые зажимы для провода 0.4–1.5 мм²
  • Рабочая температура: от -40°C до +85°C
  • Степень защиты корпуса: IP20
  • Стандарты и сертификация: Соответствует IEC/EN 61643-21, сертифицирован по UL 497B.

Характеристики

Электрические характеристики
IL, максимальный линейный ток, А 2.4
Тип напряжения DC
Uc DC, макс. рабочее напр., В 15
Iimp(10/350), имп. ток на полюс, кА 5
In(8/20), номин. ток разряда, кА 5
Imax(8/20), макс. ток разряда, кА 20
Механические характеристики
Технология газовый разрядник + ограничительный диод
Способ монтажа DIN-рейка 35 мм
Степень защиты IPxx IP20
Стандарты
Производитель CITEL